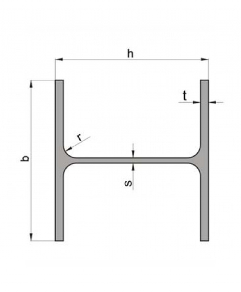
| Designació | Dimensió h | Dimensió b | Dimensió s | Dimensió t | Dimensió r | Secció (cm²) | Pes (Kg/m) |
| HEA 100 | 96 mm | 100 mm | 5 mm | 8 mm | 12 mm | 21,2 cm² | 17,12 Kg/m |
| HEA 120 | 114 mm | 120 mm | 5 mm | 8 mm | 12 mm | 25,3 cm² | 20,40 Kg/m |
| HEA 140 | 133 mm | 140 mm | 5,5 mm | 8,5 mm | 12 mm | 31,4 cm² | 25,32 Kg/m |
| HEA 160 | 152 mm | 160 mm | 6 mm | 9 mm | 15 mm | 38,8 cm² | 31,16 Kg/m |
| HEA 180 | 171 mm | 180 mm | 6 mm | 9,5 mm | 15 mm | 45,3 cm² | 36,39 Kg/m |
| HEA 200 | 190 mm | 200 mm | 6,5 mm | 10 mm | 18 mm | 53,8 cm² | 43,36 Kg/m |
| HEA 220 | 210 mm | 220 mm | 7 mm | 11 mm | 18 mm | 64,3 cm² | 51,76 Kg/m |
| HEA 240 | 230 mm | 240 mm | 7,5 mm | 12 mm | 21 mm | 76,8 cm² | 61,81 Kg/m |
| HEA 260 | 250 mm | 260 mm | 7,5 mm | 12,5 mm | 24 mm | 86,6 cm² | 69,91 Kg/m |
| HEA 280 | 270 mm | 280 mm | 8 mm | 13 mm | 24 mm | 97,3 cm² | 78,31 Kg/m |
| HEA 300 | 290 mm | 300 mm | 8,5 mm | 14 mm | 27 mm | 112,5 cm² | 90,51 Kg/m |
| HEA 320 | 310 mm | 300 mm | 9 mm | 15,5 mm | 27 mm | 124,4 cm² | 100,04 Kg/m |
| HEA 340 | 330 mm | 300 mm | 9,5 mm | 16,5 mm | 27 mm | 133,5 cm² | 107,63 Kg/m |
| HEA 360 | 350 mm | 300 mm | 10 mm | 17,5 mm | 27 mm | 142,8 cm² | 114,80 Kg/m |
| HEA 400 | 390 mm | 300 mm | 11 mm | 19 mm | 27 mm | 159,0 cm² | 128,13 Kg/m |
| HEA 450 | 440 mm | 300 mm | 11,5 mm | 21 mm | 27 mm | 178,0 cm² | 143,50 Kg/m |
| HEA 500 | 490 mm | 300 mm | 12 mm | 23 mm | 27 mm | 197,5 cm² | 158,88 Kg/m |
| HEA 550 | 540 mm | 300 mm | 12,5 mm | 24 mm | 27 mm | 211,8 cm² | 170,15 Kg/m |
| HEA 600 | 590 mm | 300 mm | 13 mm | 25 mm | 27 mm | 226,6 cm² | 182,45 Kg/m |
| HEA 650 | 640 mm | 300 mm | 13,5 mm | 26 mm | 27 mm | 241,6 cm² | 190,00 Kg/m |
| HEA 800 | 790 mm | 300 mm | 15 mm | 28 mm | 30 mm | 285,8 cm² | 224,00 Kg/m |
| HEA 900 | 890 mm | 300 mm | 16 mm | 30 mm | 30 mm | 320,5 cm² | 252,00 Kg/m |
Ferro Nou, Perfils Estructurals
BIGA PERFIL H ALES AMPLES (LLEUGERA) “HEA”
Perfil d’ales amples.
Llarg comercial o tall a mida.
UNE 36-526-94
Categories: Ferro Nou, Perfils Estructurals
Productes relacionats
-
Ferro Nou
XAPA EMBOTIDA LLAGRIMADA
-
Ferro Nou
XAPA EMBOTIDA PUNTA DE DIAMANT
-
Ferro Nou
TUB LAMINAT RODÓ SOLDAT S-235







